Ligue para mim
Doméstico:+86-18169817259
Ultramarino:+86-13790081902
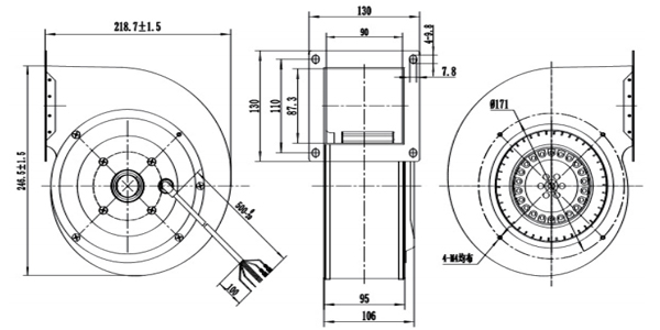
Material: Impulsor feito de placa galvanizada, caixa de rolagem feita de chapa de aço laminada a frio
Rolamento: Rolamento de esferas
Controle de velocidade: Shifts Taps (produto de múltiplas velocidades)
Temp de trabalho: -25 ~ 55 °C
Classe de isolamento: F
Classe de proteção: IP44
Aprovações: CCC, CE

Desempenho:

Ponto de trabalho | Pressão estática (Pa) | Fluxo de ar (m3/H) | Velocidade (r/min) | Potência (W) |
1 | 150 | 450 | 1950 | 175 |
2 | 250 | 420 | 2150 | 165 |
3 | 400 | 360 | 2380 | 156 |
4 | 450 | 315 | 2480 | 145 |
Modelo de Ventilador | Tipo de motor | Tensão | Poder | Atual | Velocidade | Fluxo de ar | Ruído |
(V) | (W) | (A) | (R/min) | (M3/H) | Lp:dB(A) | ||
DG160B-A092D2-00 | AM092D | AC230/50Hz | 185 | 0,85 | 1550 | 490 | 65 |
Links rápidos