Ligue para mim
Doméstico:+86-18169817259
Ultramarino:+86-13790081902
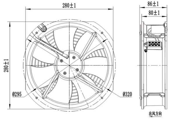
Material: Impulsor feito de placa fria com revestimento elétrico, 7fan lâminas, o quadro feito de liga de alumínio
Rolamento: Rolamento de esferas
Controle de velocidade: Shifts Taps (produto de múltiplas velocidades)
Temp de trabalho: -25 ~ 55 °C
Classe de isolamento: F
Classe de proteção: IP44
Aprovações: CCC, CE

Desempenho:

Ponto de trabalho | Pressão estática (Pa) | Fluxo de ar (m3/H) | Velocidade (r/min) | Potência (W) |
1 | 20 | 1780 | 2500 | 128 |
2 | 40 | 1700 | 2480 | 130 |
3 | 60 | 1580 | 2450 | 131 |
4 | 70 | 1500 | 2400 | 130 |
Modelo de Ventilador | Tipo de motor | Tensão | Poder | Atual | Velocidade | Fluxo de ar | Ruído |
(V) | (W) | (A) | (R/min) | (M3/H) | Lp:dB(A) | ||
AG250B-A092C2-00 | AM092C2 | AC230/50Hz | 128 | 0,56 | 2550 | 1850 | 66 |
Links rápidos