Ligue para mim
Doméstico:+86-18169817259
Ultramarino:+86-13790081902
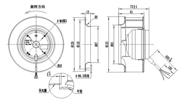
Material: Impulsor feito de PA66
Rolamento: Rolamento de esferas
Controle de velocidade: Shifts Taps (produto de múltiplas velocidades)
Temp de trabalho: -25 ~ 55 °C
Classe de isolamento: F
Classe de proteção: IP44
Aprovações: CCC, CE

Desempenho:

Ponto de trabalho | Pressão estática (Pa) | Fluxo de ar (m3/H) | Velocidade (r/min) | Potência (W) |
1 | 40 | 200 | 2550 | 28 |
2 | 72 | 174 | 2650 | 28 |
3 | 95 | 148 | 2640 | 28 |
4 | 110 | 125 | 2635 | 28 |
5 | 125 | 100 | 2625 | 28 |
Modelo de Ventilador | Tipo de motor | Tensão | Poder | Atual | Velocidade | Fluxo de ar | Ruído |
(V) | (W) | (A) | (R/min) | (M3/H) | Lp:dB(A) | ||
BC133A-A072A2-** | AM072A | AC230/50Hz | 28 | 0,13 | 2550 | 220 | 55 |
Links rápidos