Ligue para mim
Doméstico:+86-18169817259
Ultramarino:+86-13790081902
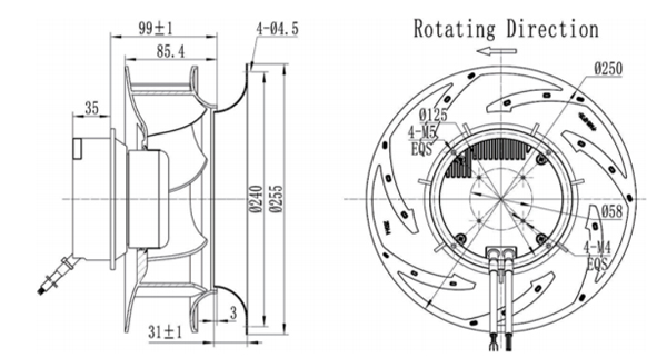
Material: Impulsor feito de PA66
Rolamento: Rolamento de esferas
Controle de velocidade: Entrada de controle 0-1 0V ou PWM
Temp de trabalho: -25 ~ 60 °C
Classe de isolamento: B
Classe de proteção: IP54
Aprovações: CCC, CE

Desempenho:

Ponto de trabalho | Pressão estática (Pa) | Fluxo de ar (m3/H) | Velocidade (r/min) | Potência (W) |
1 | 280 | 1125 | 2925 | 193 |
2 | 345 | 1030 | 2890 | 206 |
3 | 400 | 925 | 2880 | 215 |
4 | 450 | 805 | 2860 | 213 |
Modelo de Ventilador | Tipo de motor | Tensão | Poder | Atual | Velocidade | Fluxo de ar | Ruído |
(V) | (W) | (A) | (R/min) | (M3/H) | Lp:dB(A) | ||
BC250A-E092A3 ** | EM092B | 230V/50Hz | 145 | 1.1 | 3000 | 1460 | 79 |
Links rápidos