Ultramarino:+86-13790081902
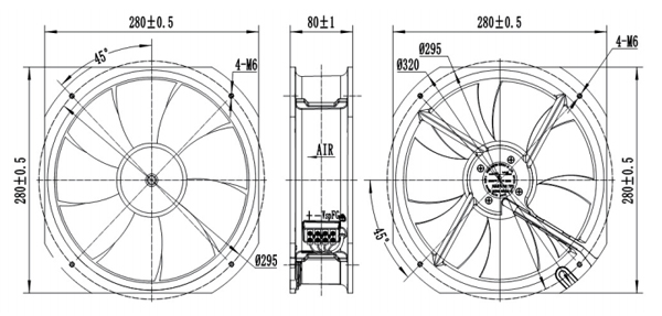
Material: Impulsor feito de placa fria com revestimento elétrico, 9 lâminas de ventilador, o quadro feito de liga de alumínio
Rolamento: Rolamento de esferas
Controle de velocidade: controle de entrada 0 ~ 10V/PWM
Temp de trabalho: -25 ~ 55 °C
Classe de isolamento: B
Classe de proteção: IP44
中文
English
한국어
français
Deutsch
Español
italiano
русский
português
العربية
Türkçe
Polska

