Ligue para mim
Doméstico:+86-18169817259
Ultramarino:+86-13790081902
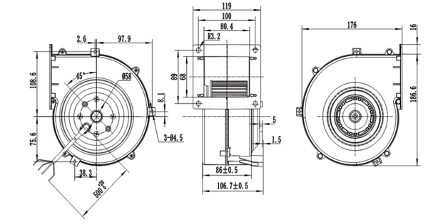
Material: Impulsor feito de PP, caixa de rolagem feita de PP
Rolamento: Rolamento de esferas
Controle de velocidade: controle de entrada 0-5/10V ou PWM
Temp de trabalho: -25 ~ 60 °C
Classe de isolamento: B
Classe de proteção: IP44

Desempenho:

Ponto de trabalho | Pressão estática (Pa) | Fluxo de ar (m3/H) | Velocidade (r/min) | Potência (W) |
1 | 85 | 285 | 2410 | 60 |
2 | 175 | 240 | 2616 | 59 |
3 | 240 | 205 | 2796 | 56 |
4 | 300 | 170 | 2797 | 46 |
Parâmetro: (pode ser personalizado)
Modelo de Ventilador | Tipo de motor | Tensão | Poder | Atual | Velocidade | Fluxo de ar | Ruído |
(V) | (W) | (A) | (R/min) | (M3/H) | Lp:dB(A) | ||
DG120C-D072A6-** | DM070A | DC24 | 40 | 2.5 | 2200 | 320 | 62 |
DG120C-D072A8-** | DC48 | 40 | 1,25 | 2200 | 320 | 62 |
Links rápidos